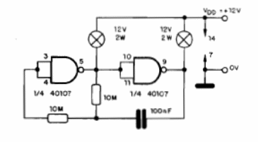
El circuito integrado 40107 consiste en un controlador capaz de excitar cargas hasta 2 W con corrientes que llegan a los 136 mA a 10 V de tensión de alimentación. El circuito presentado es un parpadeante alternado que opera en una frecuencia de aproximadamente 0,5 Hz, un parpadeante cada dos segundos con el valor utilizado del condensador. Observe que la alimentación, que puede quedar entre 5 y 12 V se realiza en los pines 7 y 14.




