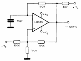
Este circuito proporciona una señal rectangular de 100 kHz, frecuencia dada por el capacitor, que puede cambiar en una amplia gama de valores. El circuito debe ser alimentado por una fuente simétrica. Vea en otros artículos del sitio circuitos como este en funcionamiento.




