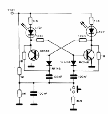
El circuito biestable con transistores comunes accionando dos LEDs tiene fines demostrativos. A cada toque del interruptor de presión el circuito cambia de estado. La alimentación debe realizarse con 12 V y se pueden utilizar los LED de diferentes colores. El interruptor de presión puede ser reemplazado por un sensor.




