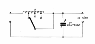
Este circuito tiene por finalidad mejorar el acoplamiento de una antena externa a un receptor de ondas cortas para obtener una mejor recepción. La bobina está formada por 40 espiras con tomas de 10 en 10 espiras. El hilo utilizado es el AWG 26 o 26 y la forma es un bastón de ferrita de 1 cm de diámetro y de 10 a 20 cm de longitud. El capacitor variable fue retirado de un viejo receptor de AM.




