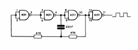
Este circuito genera señales rectangulares en una frecuencia que va desde la pista de audio hasta aproximadamente 10 MHz. El circuito integrado debe ser alimentado con tensiones entre 5 y 12 V. También se puede utilizar el 4001. Los pines de alimentación son el 14 (positivo) y 7 (negativo). El circuito se puede utilizar como un eficaz inyector de señales.




