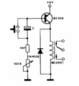
Presionando el interruptor de presión el relé cierra sus contactos y así permanece por un tiempo que depende de la carga de C y del ajuste del potenciómetro de 100 k. El condensador puede tener valores entre 10 uF y 1000 uF para tener que lleguen a unos minutos. Se pueden utilizar relés de 12 V con alimentación hecha con esta tensión. El transistor puede ser el BC558 como el BD136.




