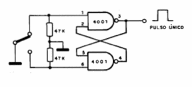
En la figura tenemos un circuito anti-repique usando una llave de 1 polo x 2 posiciones. El circuito integrado es el 4001 y la alimentación positiva se realiza en el pin 14. La negativa se realiza en el pin 7.

En la figura tenemos un circuito anti-repique usando una llave de 1 polo x 2 posiciones. El circuito integrado es el 4001 y la alimentación positiva se realiza en el pin 14. La negativa se realiza en el pin 7.
