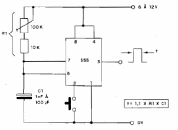
Este circuito genera un pulso cuya duración depende de R1 y C1 según fórmula junto al diagrama. La alimentación se puede hacer con tensiones de 5 a 12 V y el ajuste del tiempo se puede hacer en el potenciómetro de 100k.

Este circuito genera un pulso cuya duración depende de R1 y C1 según fórmula junto al diagrama. La alimentación se puede hacer con tensiones de 5 a 12 V y el ajuste del tiempo se puede hacer en el potenciómetro de 100k.
