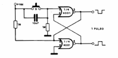
Este circuito genera un pulso único de duración determinado por el capacitor. Este componente puede tener valores entre 10 nF y 10 uF dependiendo de la aplicación. La alimentación positiva del 4001 se realiza en el pin 14 y la alimentación negativa en el pino 7. Observe que podemos obtener pulsos complementarios, ya que el circuito funciona como un monoestable.




