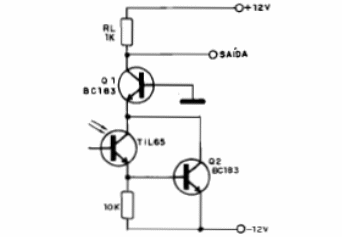
Este circuito fue sugerido por Texas Instruments en su manual de optoelectrónica. El circuito cuenta con un paso de retroalimentación que acelera la conmutación del foto-transistor y un regulador de corriente. La alimentación se puede hacer con tensiones de 12 V y se pueden utilizar transistores equivalentes como el BC547.




