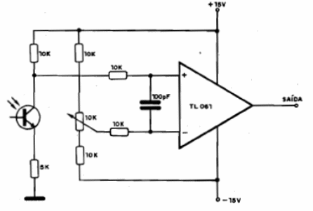
Este es un amplificador de alta-ganancia para foto-transistores que puede ser usado en la entrada de enlaces ópticos que no tienen velocidad muy alta. La alimentación debe ser hecha con una fuente simétrica de 6 a 15 V y otros amplificadores operacionales con FET en la entrada de la serie TL pueden ser utilizados. La ganancia se ajusta en el potenciómetro y la salida es de baja impedancia.




