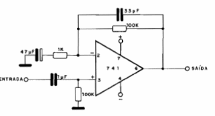
Este amplificador para señales alternas (CA) tiene una ganancia de 40 dB, lo que corresponde a 100 veces. Esta ganancia puede ser cambiada por el cambio del valor del resistor de 100k. La alimentación debe ser hecha por fuente simétrica de 5 a 12 V y la salida es de baja impedancia. La misma configuración vale para otros amplificadores operacionales.




