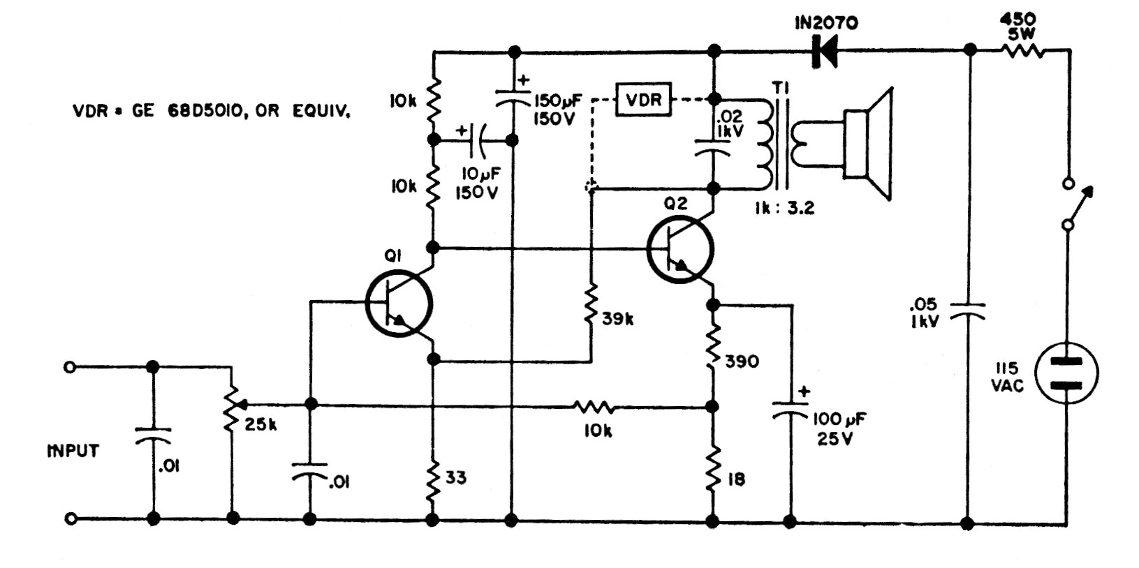
Este amplificador es de una documentación de Motorola de los años 70. El circuito utiliza transistores de la época, poco comunes actualmente como el SE7005 o 2N3916 en la salida.
El circuito mostrado en la figura 1 modula un haz de luz emitido por un LED (visible o infrarrojo) a...
Con este proyecto simple experimental podemos controlar un motor a partir de una linterna o de la...
Este tipo de oscilador utiliza una configuración fuera de lo común y puede ser utilizado como base...