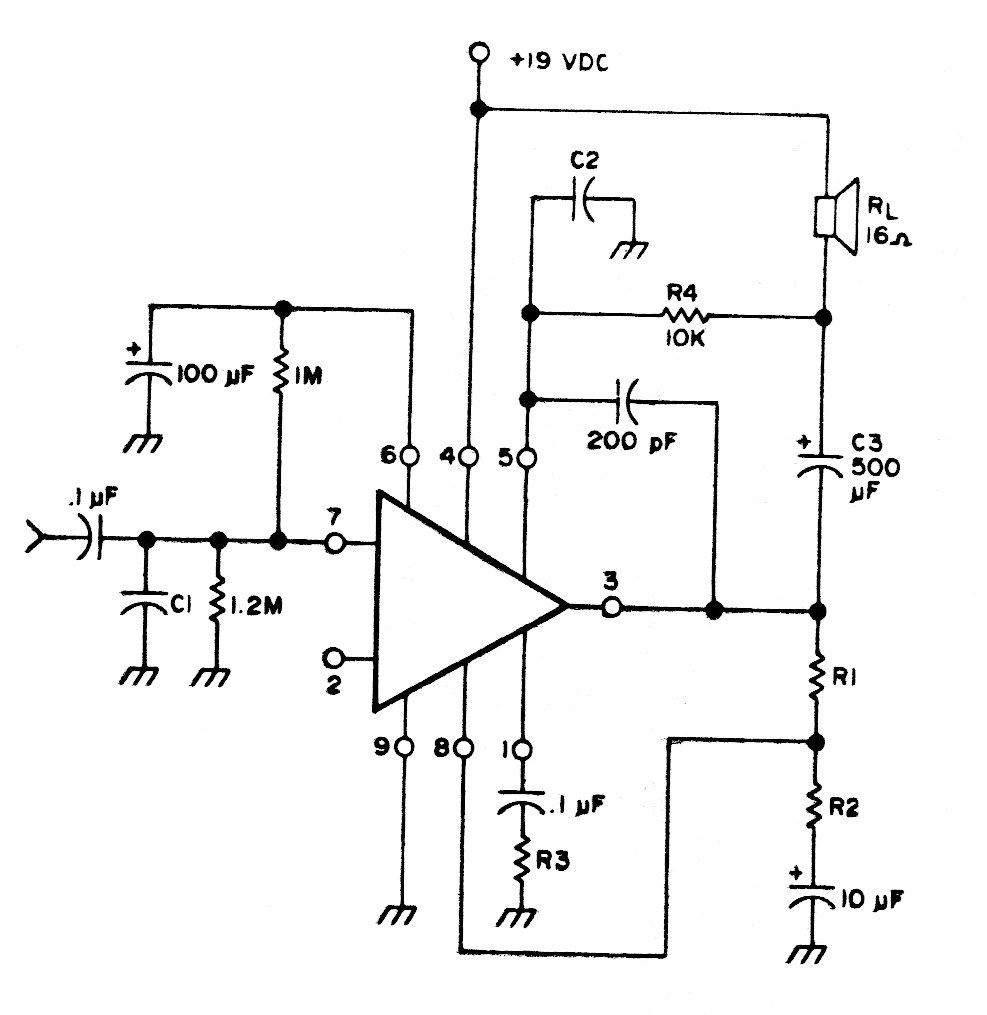
Este amplificador integrado se utilizaba en televisores de la década de los 70, presentando buenas características de sensibilidad. El circuito se alimentaba con 9 V.
Tenemos aquí un oscilador de audio que produce sonidos claros y audibles en un altavoz común. Usted...
Este circuito de sólo 3 componentes hace que una pequeña lámpara parpadee con el sonido de su...
Este preamplificador, que puede funcionar con una pila muy pequeña (AAA), montado en una cajita de...