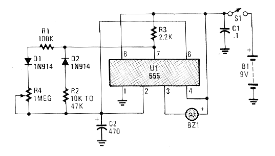
La revista Popular Electronics ya no existe. Este circuito salió en la edición de mayor de 1992 pudiendo ser montado con facilidad por los componentes que utiliza. Este circuito acciona por unos segundos un bocadillo (tipo Sonalert con oscilador) a intervalos regulares que dependen de C2 y se pueden ajustar en R4. El tiempo de accionamiento es dado por R2. El circuito puede ser alimentado por tensiones de 6 a 9 V según el Sonalert usado.




