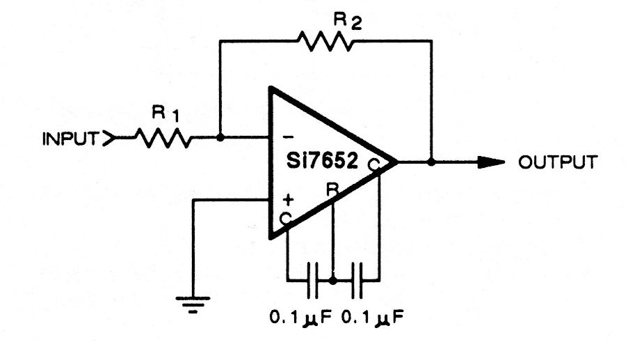
El amplificador operacional utilizado en este circuito de una documentación antigua no es muy común actualmente. R1 y R2 determinan la ganancia y la fuente de alimentación debe ser simétrica. El circuito es del datasheet del componente.
Es un ultra-simple aparato para demostrar en exposiciones y ferias de ciencias, pero que también se...
Los sonidos y los ultrasonidos pueden ser generados con el circuito mostrado en la figura 1, que...
Este pequeño temporizador se puede utilizar en el laboratorio de ciencias para medir el tiempo que no...