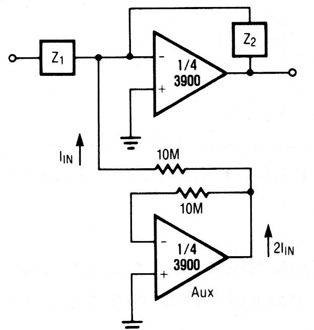
Tomando como ejemplo los circuitos integrados 3900 de Raytheon, poco comunes actualmente, este circuito puede ser usado con amplificadores operacionales más modernos. La fuente debe ser simétrica.

Tomando como ejemplo los circuitos integrados 3900 de Raytheon, poco comunes actualmente, este circuito puede ser usado con amplificadores operacionales más modernos. La fuente debe ser simétrica.
