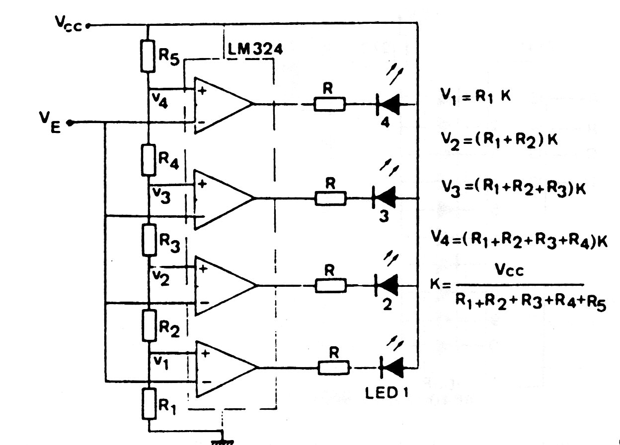
Este circuito se ha utilizado en muchas aplicaciones simples en las que se desea una escala de LED. Las fórmulas junto al diagrama se aplican en el cálculo de los componentes utilizados. R determina la corriente en los LED en función de la tensión de alimentación. Para 5 V utilice 330 ohms y para 12 V utilice 1 k.




