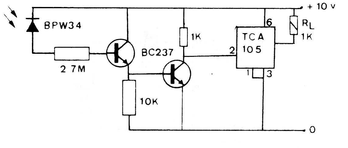
Este circuito fue encontrado en una documentación europea antigua. El amplificador operacional puede ser sustituido por un circuito equivalente para accionar un relé. El foto-diodo puede ser de cualquier tipo y los transistores pueden ser los BC548.
¿Cómo generar energía eléctrica a partir de dos monedas comunes? Si el lector cree que eso es...
Una solución bastante atractiva aún en nuestros días para un amplificador de baja potencia simple...
Este es un circuito experimental que sirve para demostrar el principio de funcionamiento de un LDR...