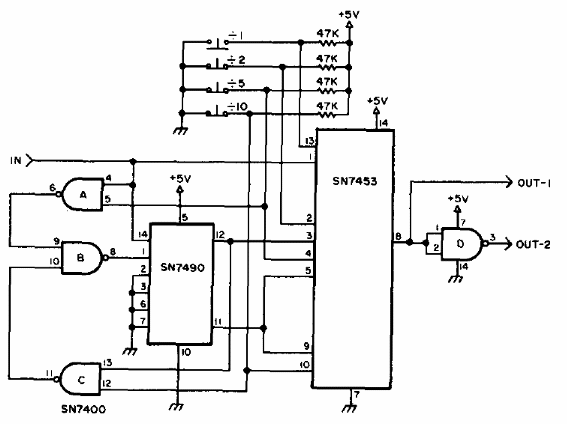
Este circuito, que se puede utilizar como shield para microcontroladores, proporciona salida con 50% de ciclo activo dependiendo de la programación realizada. El circuito es de una documentación de 1977 debiendo ser alimentado por una tensión de 5 V.




