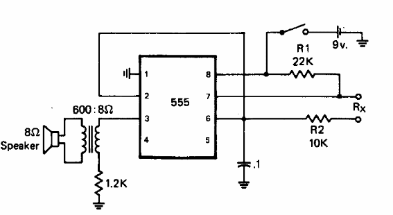
La frecuencia de este circuito es tanto mayor cuanto menor es la resistencia entre las puntas de prueba (Rx). El circuito puede medir resistencias de 0 a 10 M ohmios. El valor de la resistencia puede ser evaluado por comparación. El circuito también funciona con otras tensiones entre 5 y 12 V.




