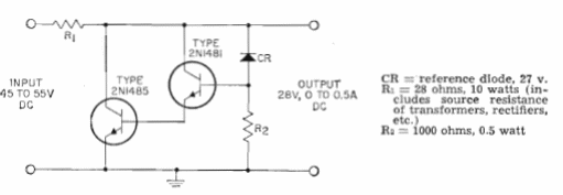
Encontramos este circuito en el manual de transistores de la RCA de 1964. El transistor 2N1485 admite equivalente así como el otro. El diodo zener determina la tensión de salida.

Encontramos este circuito en el manual de transistores de la RCA de 1964. El transistor 2N1485 admite equivalente así como el otro. El diodo zener determina la tensión de salida.
