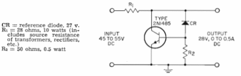
Encontramos esta configuración de regulador paralelo en el manual de transistores de la RCA de 1964. El circuito puede ser implementado con transistores modernos como los TIP31C o TIP41C.

Encontramos esta configuración de regulador paralelo en el manual de transistores de la RCA de 1964. El circuito puede ser implementado con transistores modernos como los TIP31C o TIP41C.
