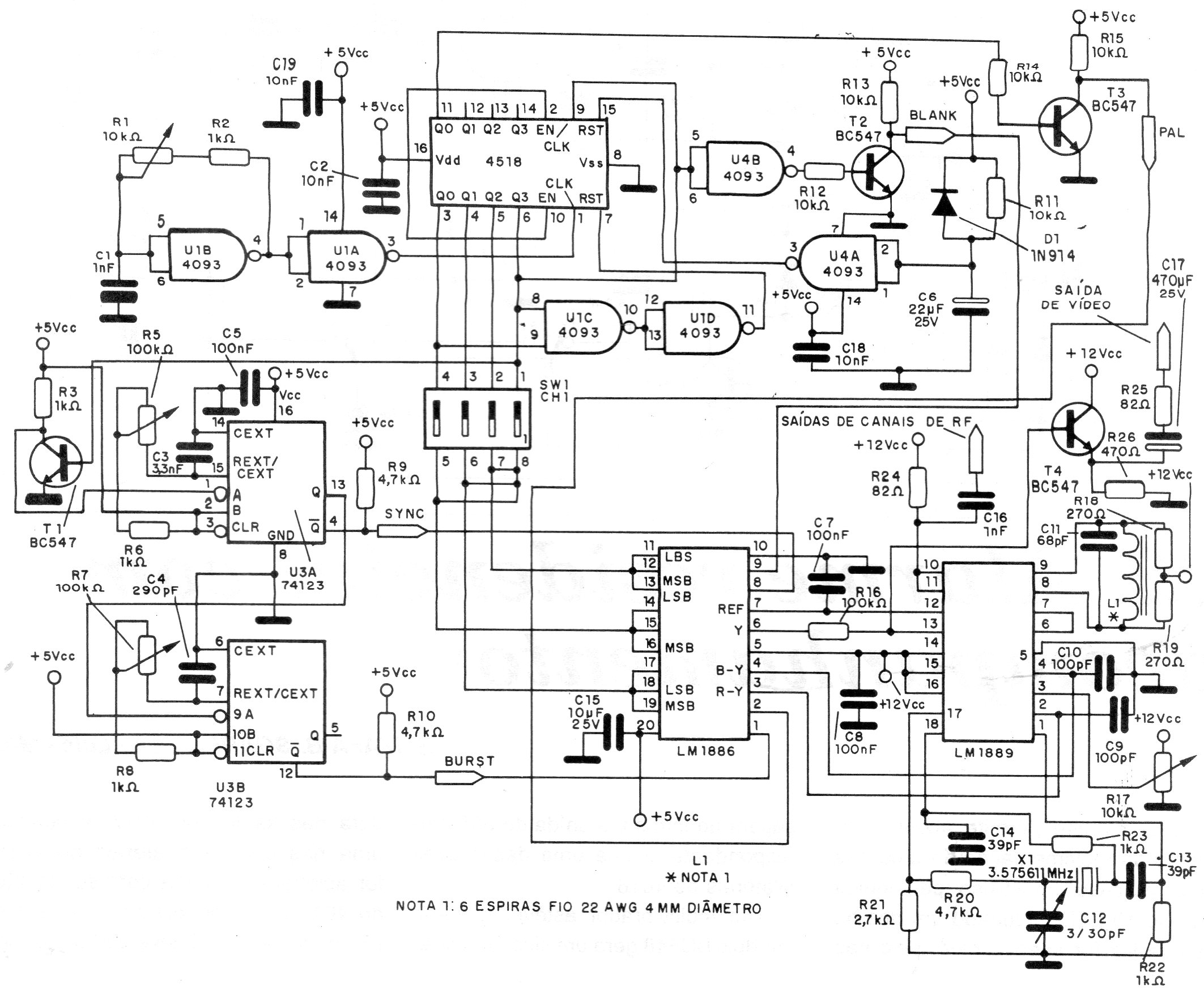
Este antiguo circuito es de la época de los televisores analógicos, sirviendo para los técnicos realizar ajustes de los circuitos de color, linealidad, convergencia y otros. El circuito todavía se puede montar, ya que la mayoría de los componentes usados todavía se pueden encontrar con facilidad. Los ajustes de las barras se realizan en trimpots y las señales obtenidas son RGB como modulación PAL-M. El circuito debe ser alimentado por fuente de 5 y 12 V.




