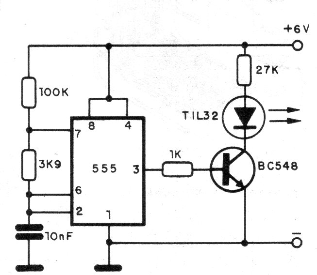
Este circuito, de una documentación de 1990, puede servir como base para un juego de tito al blanco. El receptor se da en el CIR7832S. El circuito produce una señal modulada a partir de un 555 alimentado por una batería de 9 V. El LED emisor debe montarse en un tubo con una lente para una mayor dirección y alcance del disparo.




