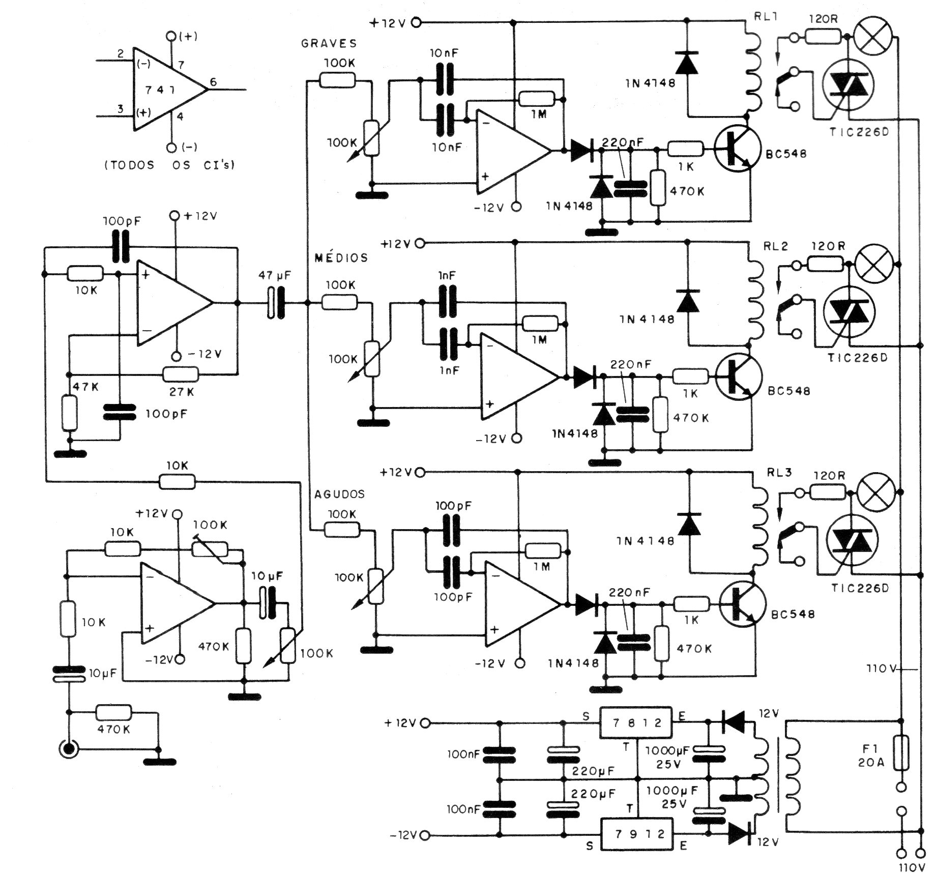
Este sofisticado circuito con filtro de graves, medios y agudos, es de una documentación de 1990. El circuito sólo debe ser usado con lámparas incandescentes y los triacs deben estar dotados de buenos disipadores de calor. El circuito utiliza una fuente simétrica para los amplificadores operacionales. Los potenciómetros hacen los ajustes del punto de funcionamiento. El punto negativo de este proyecto está en el uso de relés para controlar los triacs.




