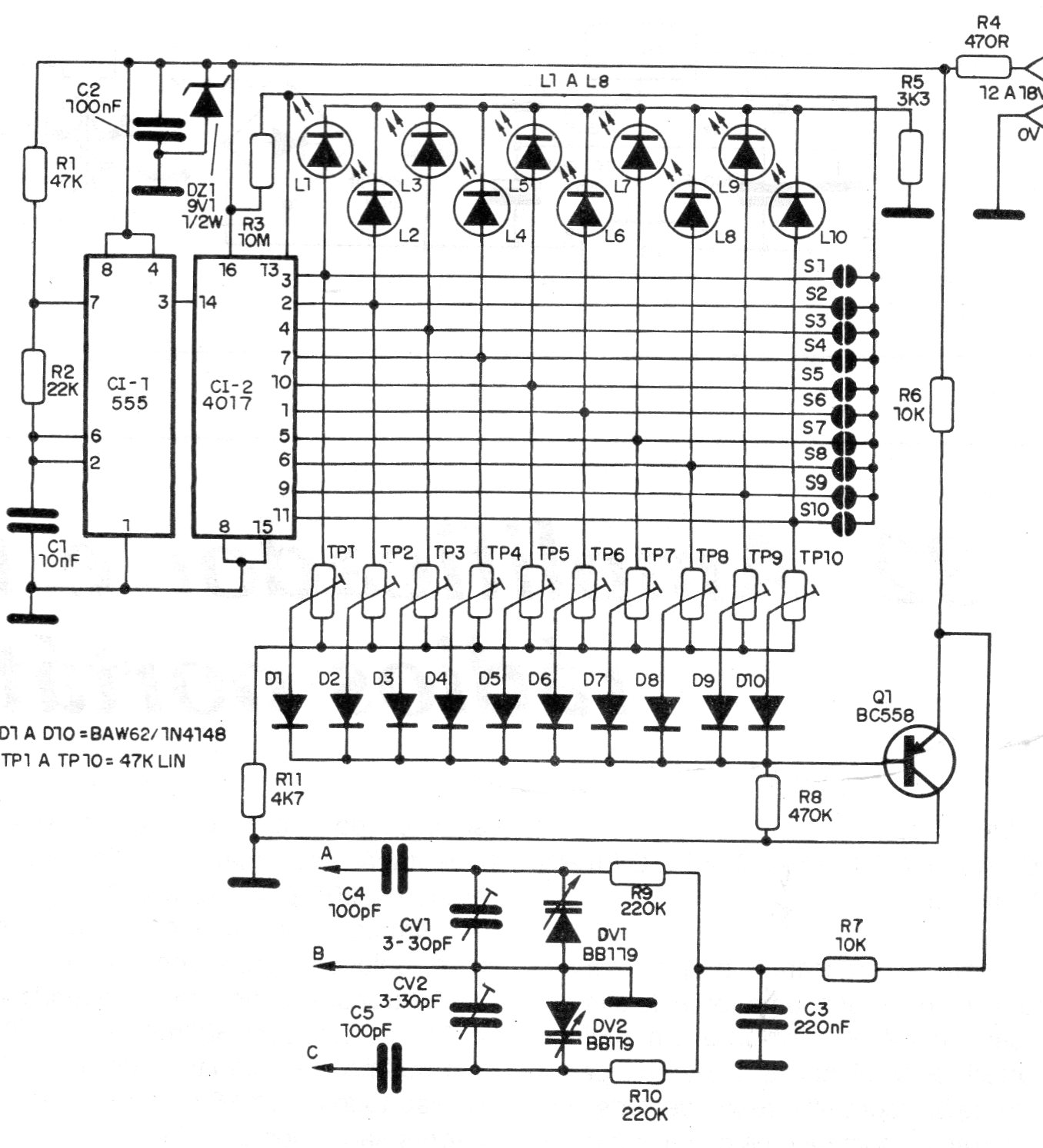
Originalmente diseñado para ser utilizado en un receptor FM, este circuito de 1990 puede adaptarse a otros tipos de circuitos de altas frecuencias como osciladores y receptores. El circuito hace la sintonización por tacto teniendo 10 opciones cuyas frecuencias se seleccionan en trimpots.




