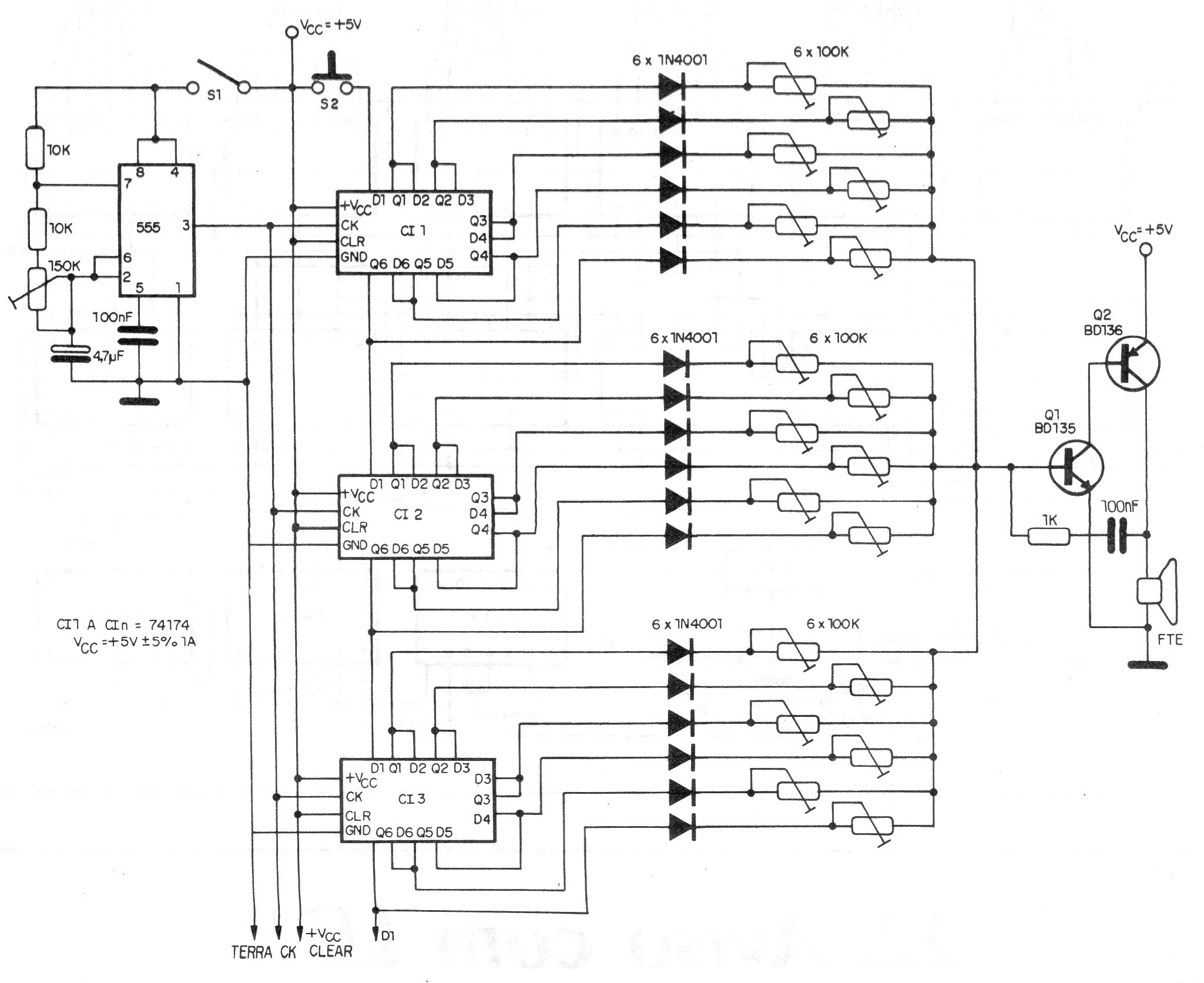
La secuencia de notas de este circuito se logra a través de circuitos integrados comandados por el 555. La velocidad de la secuencia se ajusta en el trimpot junto al 555 mientras que los demás trimpots ajustan la nota musical emitida. El circuito es de una antigua publicación de los años 70. La alimentación debe ser hecha con 5 V.




