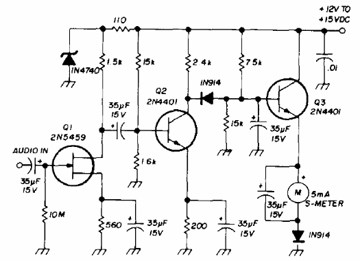
Esímetro de 5 mA (CIR7325S)
Este medidor de intensidad de señal (S-meter) fue encontrado en una publicación para radioaficionados de 1975. Podemos usar los BC548 para los bipolares y el transistor de efecto de campo puede ser el BF245 o MPF102. El instrumento es de 5 mA de fondo de escala. La respuesta es de 500 Hz a 10 kHz.




