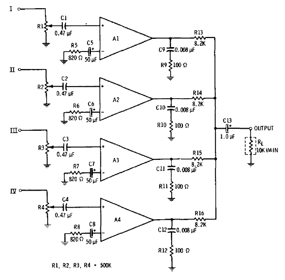
Este circuito es de una antigua documentación de la RCA (que ya no existe). Los amplificadores operacionales pueden ser tipos más comunes como los 741, alimentados por una fuente simétrica de 6 a 12 V. Los cables de entrada y salida de señales deben ser blindados.




