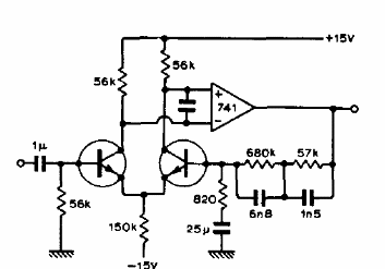
La fuente de alimentación de este circuito de 1972 debe ser simétrica y los transistores BC549. Los cuidados con el diseño son importantes para evitar la captación de zumbidos.

La fuente de alimentación de este circuito de 1972 debe ser simétrica y los transistores BC549. Los cuidados con el diseño son importantes para evitar la captación de zumbidos.
