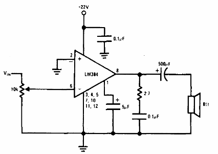
El circuito integrado utilizado en este amplificador no es muy común en nuestros días. Este amplificador fue encontrado en el Audio Handbook de National Semiconductor de 1977. La fuente debe tener al menos 500 mA.

El circuito integrado utilizado en este amplificador no es muy común en nuestros días. Este amplificador fue encontrado en el Audio Handbook de National Semiconductor de 1977. La fuente debe tener al menos 500 mA.
