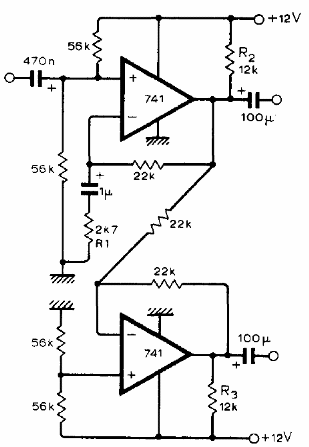
Este circuito fue encontrado en una documentación de 1975. Los amplificadores operacionales deben tener una fuente simétrica y la respuesta de frecuencia va de 10 a 20 000 Hz. La ganancia es de 20 dB y otros amplificadores operacionales pueden ser utilizados.




