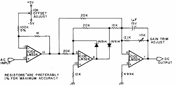
Esta configuración fue encontrada en una documentación técnica de 1978. Lo que el circuito hace es convertir una tensión AC en el valor RMS correspondiente DC para excitación de un instrumento o microcontrolador. Se pueden experimentar amplificadores operativos equivalentes.




