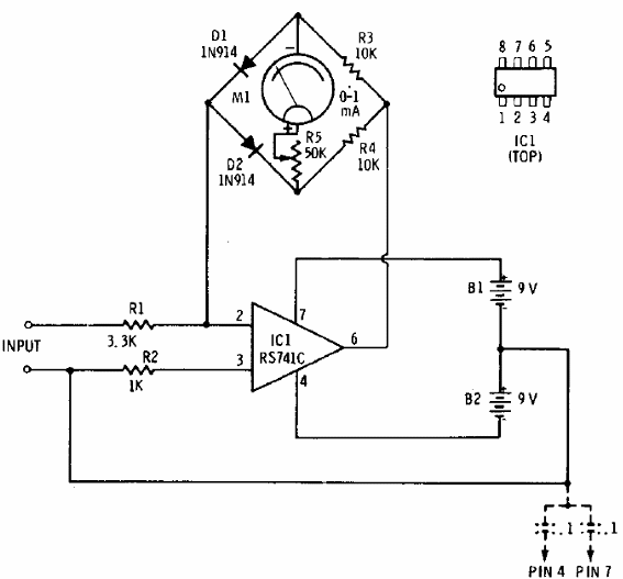
Este circuito de altísima resistencia de entrada fue encontrado en una documentación de Radio Shack de 1977. El circuito es alimentado por fuente simétrica y otros operativos pueden ser utilizados. El instrumento también puede tener otros fondos de escala con cambio de R5.




