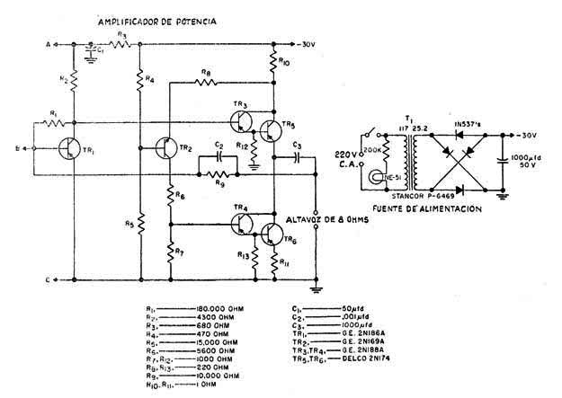
La potencia de este amplificador, que se encontró en documentación de 1958, no se ha indicado en el circuito original, pero debe ser unos pocos watts. Transistores de germanio son originales y de salida deben estar provistos de disipadores de calor. También se da la fuente de alimentación. El transformador debe ser de 1 a 1,5 A con secundario de 22 V o 25 V.




