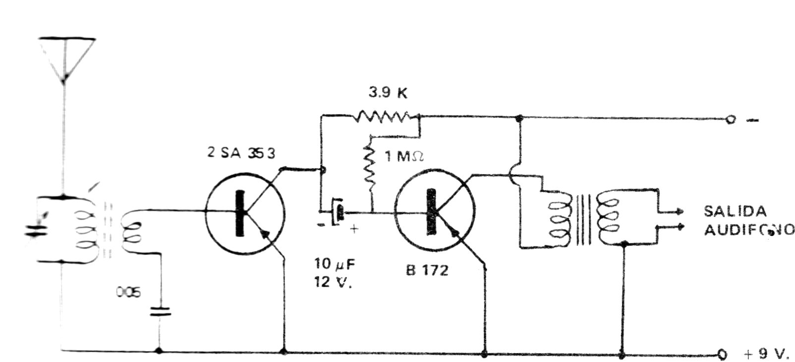
En la versión original, de una antigua publicación de los años 1970, este receptor utiliza transistores de germanio, pero puede ser montado con transistores de silicio. La bonina tiene primario de 100 espiras y secundario de 20 espiras, ambos en un bastón de ferrita con hilo 28 o 30. El transformador es de salida para transistores alimentando auricular o altavoz. La antena debe ser larga y el condensador variable se obtiene de una radio AM fuera de uso. Los transistores BC558 se pueden utilizar y el circuito alimentado por tensiones de 6 a 9 V.




