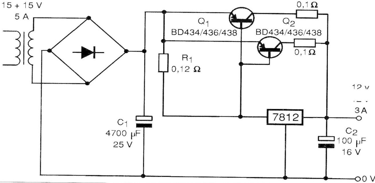
El circuito ilustrado en la figura puede suministrar corrientes de hasta 3 A bajo tensiones de 12 V con excelente regulación dada por el circuito integrado 7812. Tanto el circuito integrado como el transistor necesitan ser montados en radiadores de calor. Los diodos deben ser para 50 V x 3 A o más, y el resistor R1 es de hilo. Se pueden utilizar los equivalentes de los transistores indicados.




