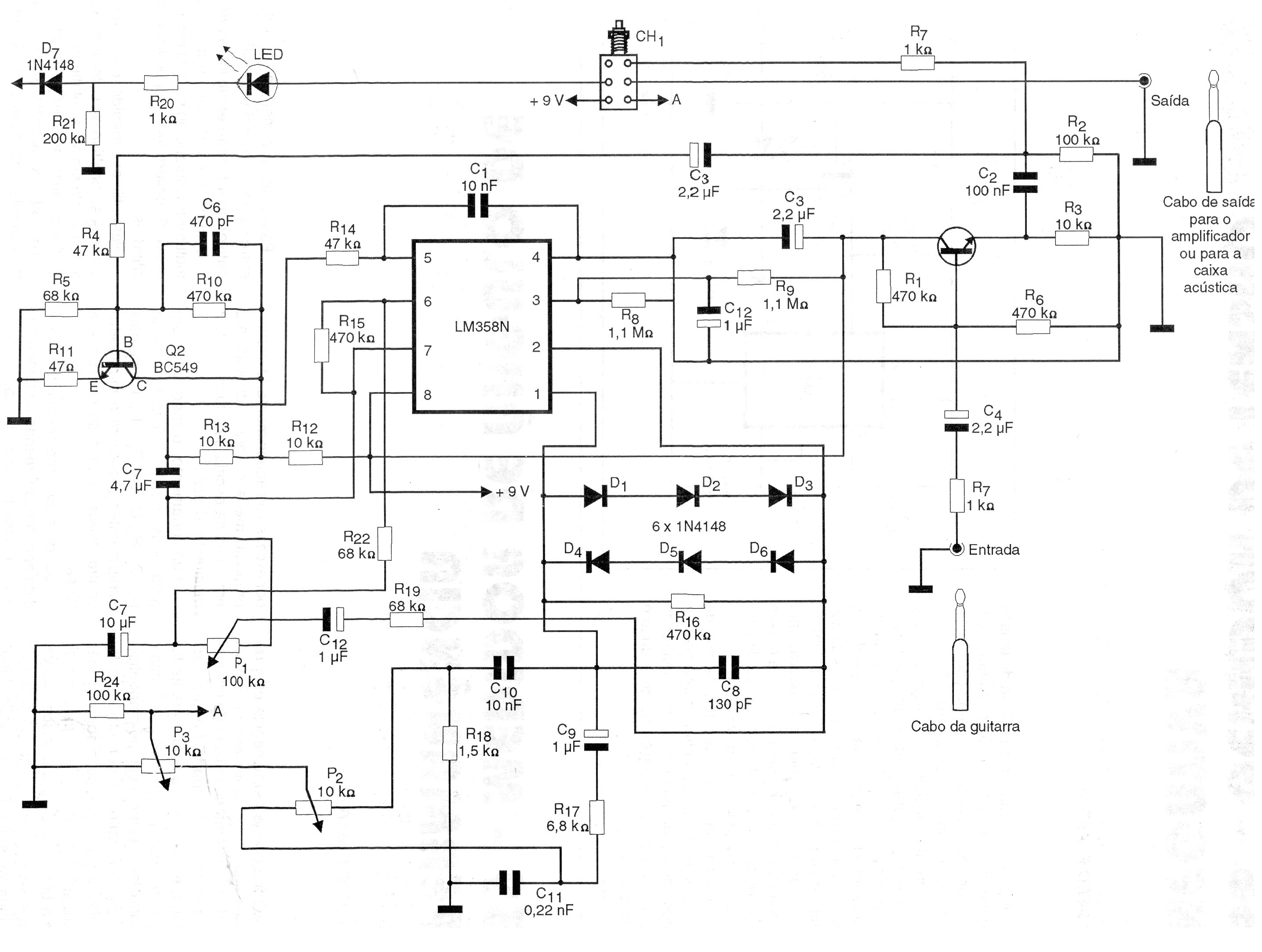
Hemos encontrado este circuito de efectos para guitarra en una documentación de 1997. Como los componentes usados son aún comunes en nuestros días excepto el circuito integrado que puede presentar alguna dificultad de obtención, su montaje es viable, recordando que los cables de entrada y salida de señales deben ser blindados.




