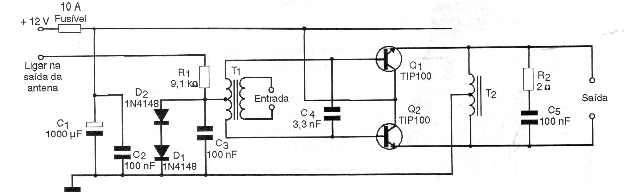
Este circuito se destina al refuerzo de radios antiguos de coches, habiendo sido encontrado en 1997. En aquella época los radios y amplificadores (tocadiscos) tenían pocos vatios y una solución era el módulo amplificador como el indicado. El circuito utiliza dos transformadores. T1 tiene primario de 8 ohmios y secundario de 600 ohmios a 3k ohms. Un pequeño transformador de 110/6 o 9 V con 200 mA sirve. T2 se enrolla en un carrete de un pequeño transformador de alimentación que constan de 100 + 100 espiras de hilo 21.




