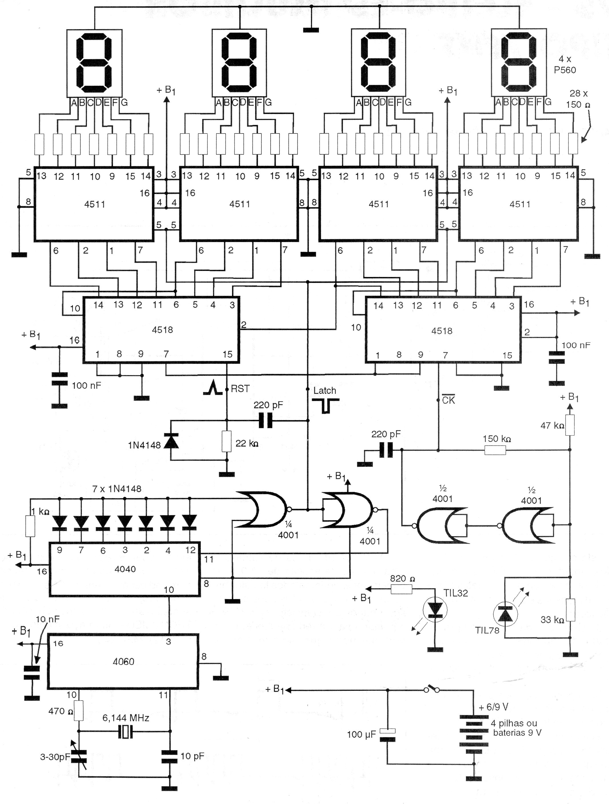
Este contador de 4 dígitos fue encontrado en una documentación de 1997. Utiliza circuitos integrados CMOS y puede funcionar con tensiones de 6 o 9 V. Las pantallas son de cátodo común y la señal de entrada debe ser rectangular libre de repiques. Recomendamos utilizar pilas medias o grandes, o incluso fuente, dado el consumo de los displays.




