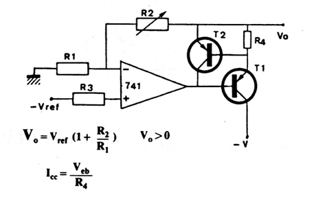
También usando el 741, como el circuito anterior, esta referencia es para tensiones positivas, lo que lleva el uso de transistores PNP. T2 es de uso general y T1 de potencia como el BD136 para corrientes hasta 500 mA.

También usando el 741, como el circuito anterior, esta referencia es para tensiones positivas, lo que lleva el uso de transistores PNP. T2 es de uso general y T1 de potencia como el BD136 para corrientes hasta 500 mA.
