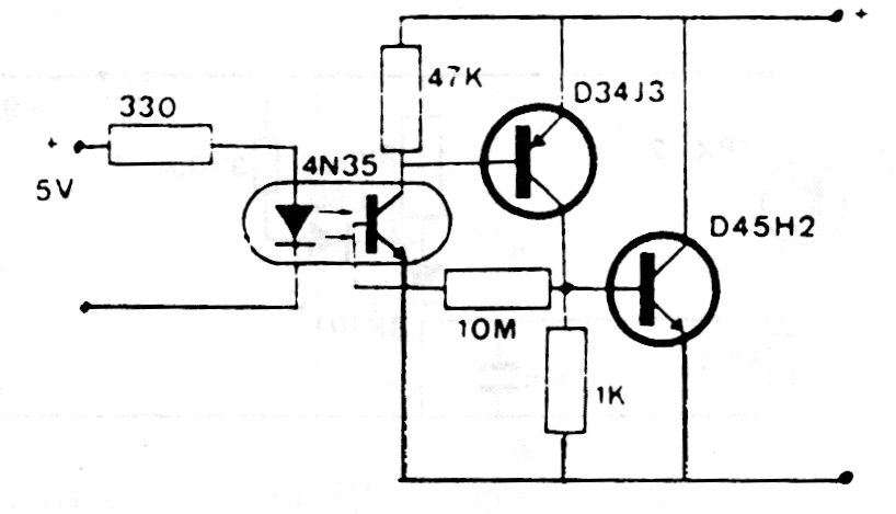
Este relé de estado sólido (SSR) con acoplador óptico fue encontrado en una documentación europea de los años 80. Los transistores pueden ser equivalentes modernos y el resistor es para salida de Arduino y otros microcontroladores. La alimentación de la etapa de potencia depende de la carga controlada.




