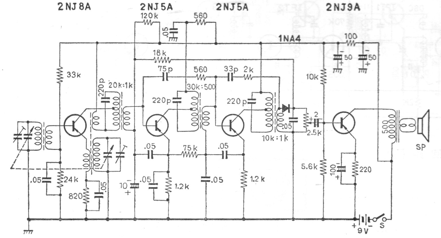
Este es un circuito de radio comercial para la mañana de 1967. Se encontró en documentación japonesa. Los componentes críticos son las bobinas y los transformadores, además de los transistores de germanio que ya no se fabrican en la actualidad.
Usted puede montar su propio sistema de sonido con un altavoz para medios y graves (alto rango) y...
Para alimentar a los pequeños proyectos que requieren corrientes de hasta 1 A, se dará una fuente...
Este es un proyecto didáctico interesante. En el electroimán experimental accionado por la luz. ...