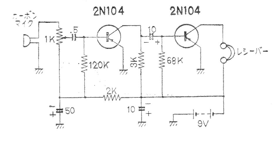
Este amplificador o estetoscopio con salida para auriculares y micrófono de cristal se encontró en una revista japonesa de la década de 1960. El circuito funciona con pilas y utiliza unos auriculares magnéticos de alta impedancia.
Un oscilador de relajación con lámpara de neón es la base de este circuito que se puede utilizar como...
Un comparador de tensión de precisión, usando diodo zener como referencia puede ser implementado con...
Este circuito detecta ductos de metal, hilos de instalaciones embutidas, pequeños objetos...