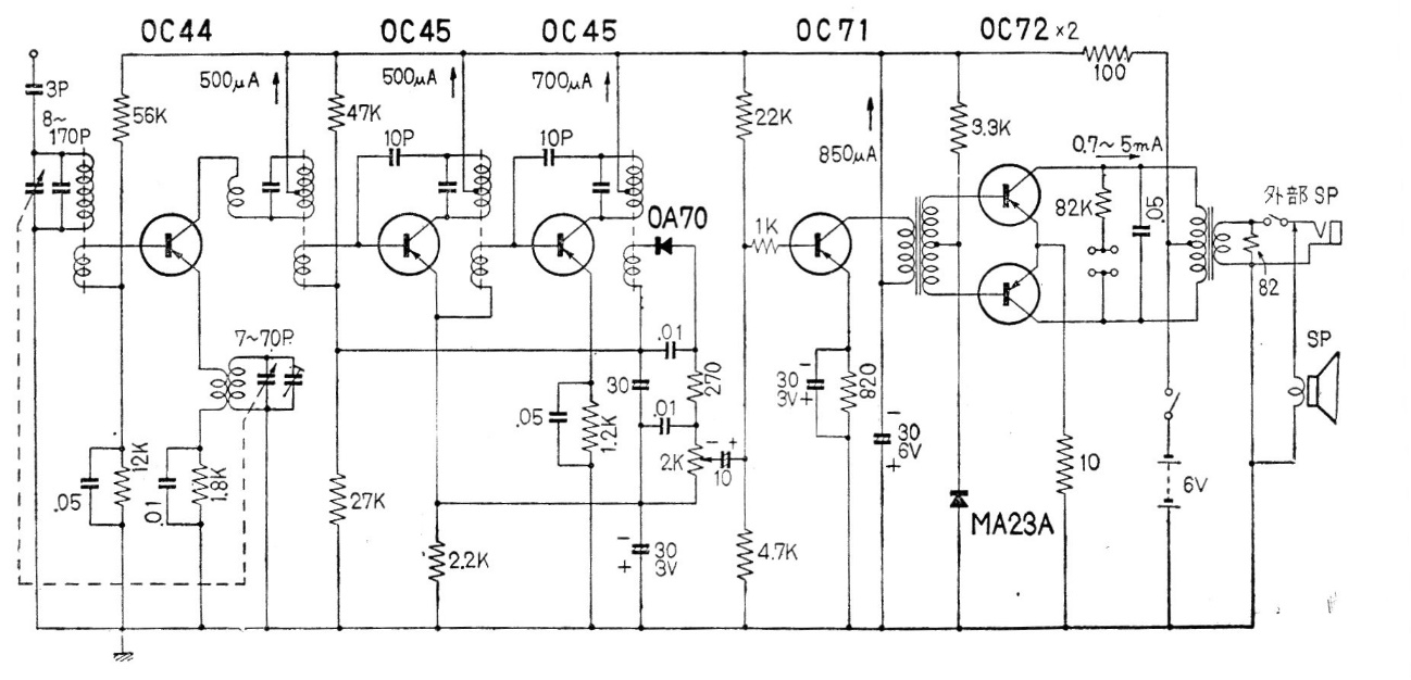
Esta radio comercial de 6 transistores con fuente de alimentación de 6 V se encontró en una publicación japonesa de la década de 1960. El circuito es un superheterodino comercial con 150mW a 200mW de salida a batería.
Un oscilador de relajación con lámpara de neón es la base de este circuito que se puede utilizar como...
Un comparador de tensión de precisión, usando diodo zener como referencia puede ser implementado con...
Este circuito detecta ductos de metal, hilos de instalaciones embutidas, pequeños objetos...