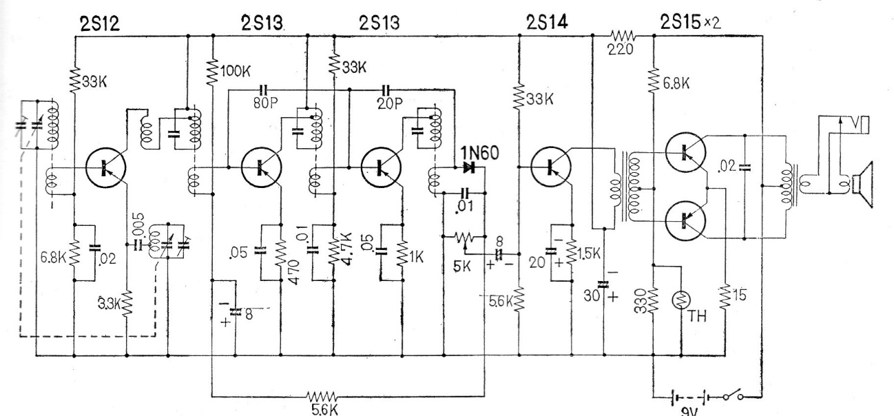
El circuito que se muestra es una radio AM para el rango de onda media japonesa de la década de 1960. El circuito tiene una configuración superheterodina tradicional con una potencia de salida de 80mW. La alimentación se realiza con una tensión de 9 V. El FI es de 455 kHz.




