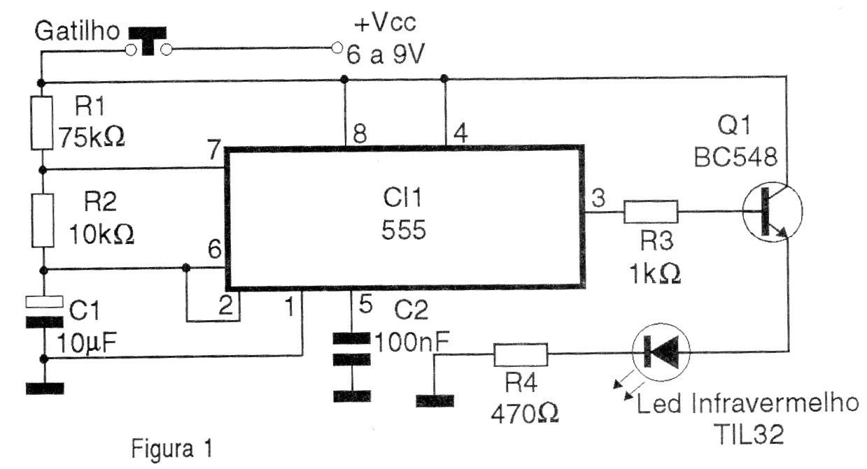
Este juego electrónico se encontró en una documentación de 1996, pero hoy en día se puede ensamblar fácilmente, tanto el arma como el objetivo que se da en CIR3621S, ya que los componentes utilizados son comunes. La pistola funciona con pilas o una pequeña batería.




