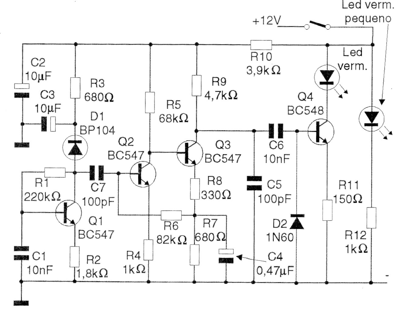
Encontramos este circuito en una publicación de 1996. Se pueden probar componentes equivalentes, especialmente en el caso del fotodiodo. El circuito está alimentado por una tensión de 12 V.
Este simple circuito puede medir temperaturas con cierta precisión, dependiendo sólo de cómo se...
Podemos mostrar cómo funciona un amplificador operacional montando un simple circuito con el 741....
Esta versión de oscilador sensible a la luz utiliza como sensor un foto-transistor o un transistor de...