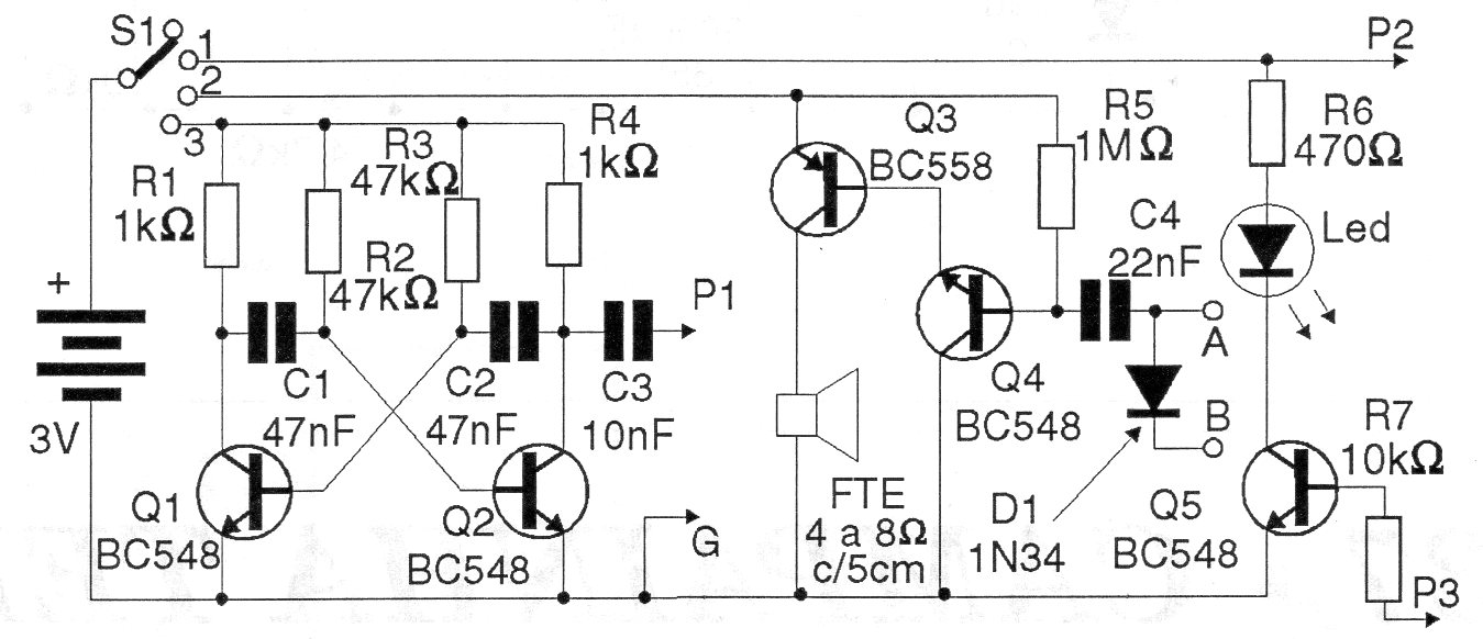
Este circuito, totalmente transistorizado, reúne en un solo dispositivo tres funciones de gran utilidad para el banco. El circuito es de documentación antigua y solo funciona con dos pilas. Las funciones se seleccionan utilizando puntas y salidas independientes y el interruptor S1.




